Home
E-mail
FAQ
Join us
Contact us
Site map
磁保持继电器系列
电流互感器系列
分流器系列
接线柱系列
--产品类别选择--
磁保持继电器系列
电流互感器系列
分流器系列
接线柱系列
磁保持继电器系列
NRL709S参数一览表
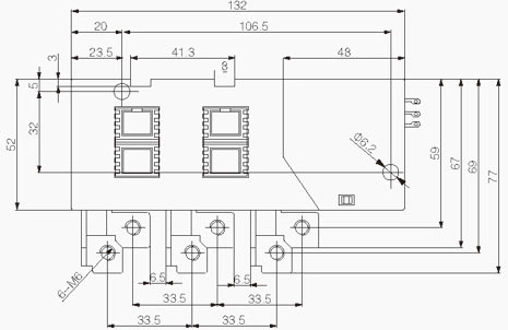
外形尺寸(mm)
132×77×30
触点参数
触点形式
3A,3B
触点材料
AgSnO2
触电负载
100A 250VAC
线圈参数
线圈电压
5~48VDC
线圈功耗
S:8.0 D:16.0
脉冲宽度
≥180ms
寿命
电气寿命
1×10
4
机械寿命
5×10
5
介质耐压
开路触点间
750/1000VAC
线圈触点间
2000VAC
4000VAC
闭合电压
≤75%
断开电压
≤75%
接触电阻
≤1.0mΩ
绝缘电阻
≥1000mΩ
使用环境温度(动作)
(-40~+70℃)
封装形式
防尘罩
安装型式
快连接式
重量
300g
NRL709S详细资料表
特点
> 3x100A触点切换能力;
> 线圈功耗小、温升极低;
> 触电接触电阻小,电接触稳定性能好;
> 抗冲击、抗振动能力强;
> 外形尺寸:132.0x77.0x30.0mm。
订货标记
①磁保持继电器代号
②产品型号
③线圈电压
④D表示双线圈,S表示单线圈
性能
绝缘电阻
1000MΩ(500VDC)
介质耐压
触点与线圈间
4000VAC 1min
断开触点间
2000VAC 1min
闭合时间
60msec.Max
断开时间
60msec.Max
抗冲击
稳定性
100m/S
2
(10g)
强度
1000m/S
2
(100g)
振动
10~55Hz 1.5mm
湿度
98%RH.40℃
温度范围
-40~+70℃
引出端方式
快连接式
重量
300g
封装形式
防尘罩
触点参数
触点形式
3A/3B
触点材料
AgSnO2
接触电阻
Max:1.0mΩ
触点负载
3×200A 250VAC
最大转换功率
25000VA
机械寿命
5×10
5
电气寿命
1×10
4
线圈
线圈功耗
单线圈:8W
双线圈:16W
线圈参数
额定电压
动作电压
脉冲宽度
线圈电阻
单线圈
9
6.75
180
10±10%
12
9
180
18±10%
24
18
180
72±10%
48
36
180
288±10%
双线圈
9
6.75
180
2×5±10%
12
9
180
2×9±10%
24
18
180
2×36±10%
48
36
180
2×144±10%
备注:如需其它额定电压,可特殊定货。
典型应用
1)主要用于IC卡预付费电表,集中抄表系统。
2)也用于复合开关,家电和自动控制装置。
尺寸图,接线图
〖
返回
〗
地址:浙江省平湖市经济开发区北环路888号 电话:0573-85636665 传真:0573-81973666
版权所有©2011安迅电气 All Rights Reserved.
浙ICP备05052559号-1
Powered by Lianke.cn